Sobald ich mein hintergrundbild ändere, nehmen die Ordnerbeschriftungen einfach irgendeinen Farbton an!
Wie kann ich das wieder grade biegen?
Sobald ich mein hintergrundbild ändere, nehmen die Ordnerbeschriftungen einfach irgendeinen Farbton an!
Wie kann ich das wieder grade biegen?
Also habs nun aufgebaut, funzt einwandfrei, werd ein PIC Posten wenn ich's fertig eingebaut habe...
(wenn's denn jemand interessiert)
Könnte ein neues und ungebrauchtes Asrock mit VIA PT880 sockel 478 anbieten
Und?
Interessiert?
Hi.
Würde gerne meine SATA Platte gegen ein normale IDE tauschen.
Wenn jemand von euch grad auf SATA umsteigen will, kann er's jetzt gratis ![]()
Samsung SP1614C 160GB 8MB SATA
Tauschgrund?
Ohne RAID bringt mir eine SATA Platte praktisch keine Vorteile, ausser den kleineren Kabel.
Platte ist neuwertig, nur wenige Betriebsstunden, SATA Kabel wird mitgeliefert.
Werds bei gelegenheit am WE mal profisorisch aufbauen und testen, aber wenns funzt, lässt sich damit etwas schönes zaubern ![]()
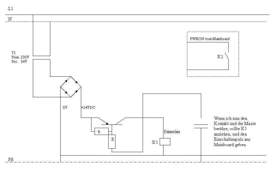
Die Transistorschaltung habe ich etwas vereinfacht gezeichnet, werde dies auch nicht auf den print löten, WOERTZ verkauft Inverterklemmen die genau solche Transistorschaltungen integriert haben.
WOERTZ 45323T/NPL
Die klemme läuft angeblich auch bereits mit 5V, aber ich habe kein Relais gefunden das mit 5V läuft...
Wenn's sowas gäbe würde die schaltung sogar mit Standbyspannung laufen, gäbe etwas weniger gebastel ![]()
Sehts mal an, hoffe dass ich keine brutalen Fehler drinhab...
Patrice - Nile
... oder Wattmeter...
Wenn GaleP sie nicht nimmt, nehm ich sie.
Mit mir sinds nun schon 51781 ![]()
Ists nun ne GT oder nicht?
Jo sollte ja eigentlich gehen, Wenn ich das Teil auf den IDE Port des MoBo's stecke und die HD dann normal vom Adapter aus mit dem SATA Kabel verbinde.
Die Lösung ist nicht optimal, sollte aber gehen denk ich...
@Wolf:
Hast PN
@ Wolf:
Kannst du testen ob's läuft?
THX to Sefti, werd's mir überlegen.
Die Adapter Variante wär wohl etwas günstiger, hoffe ich...
Ist ja eigentlich dasselbe oder?
Denn die SATA Buchsen auf dem Mainboard und HD sind ja beide ''male''
Sowie die IDE Buchsen auf Mainboard und HD beide ''male'' sind oder irre ich?
EDIT:
Nee hab scheiss gelabert...
Sollte aber doch trotzdem gehen, jedenfalls so wie ich mir das vorstelle.
--> Kannst das Teil vielleicht mal fötelen?
Solche Dinger waren doch mal im Umlauf oder?
Will eine SATA HD am IDE Port betreiben, das Board zickt mit SATA...
Währe froh wenn jemand etwa 2 so Converter abrücken könnte.
THX
ZitatOriginal von Drago72
Hey THX für die Gedächtnisstütze hab auch noch ne Voodoo 2 rumliegen gehabt
Achja und wegen den 30.-
Ich weiss natürlich dass die 30.- längst nicht der Leistung entsprechen, habe auch nicht so damit gerechnet dass du sie kaufst.
Ich hänge irgendwie an dem Teil und gebs halt nicht für weniger...
Aber hat sich ja jetzt eh erledigt...
Habe noch ne Creative Voodoo2 12MB inkl. Loopkabel.
Kannst sie für 30.- haben.
Danke an alle, habe den von Aqua genommen ![]()
Muss nichtmal RAID unterstützen, kann also auch n' Billigteil sein, muss einfach laufen...
THX
Hast evtl. ein billiges Multimeter mit hohem innenwiderstand? (Amperemeter)
Wenn deine Schaltung für LED's ausgelegt ist, haste doch bestimmt am Ausgang nur 5V, wo doch eine CCFL 12V benötigt...
EDIT:
Hab OOR's Post überlesen sorry