Ja ist mir schon klar dass ein kapazitiver Sensor dafür gebraucht wird.
Aber eine Lichtschranke funktioniert ja vollkommen anders, er muss ja den Lichtkontakt unterbrechen, weiss nur nicht wie er das anstellen will.
Beiträge von reN
-
-
Maske glaub ich 2-3 Wochen, kannst sie ja schwarz anmalen und zwei Spitzohren anbringen

-
Ich weiss nicht was uns Schweizer mit der Pharmaindustrie verbindet.
Roche hat da eine fette Meute, aber ich merke davon nichts.
Ich weiss nicht, was ich einfach ein bisschen tragisch finde ist, wieviele Menschen sind an dieser Grippe gestorben? Wieviele Menschen sind am 11/9/01 im WTC gestorben? Über beides wird grosser Medienrummel gestartet, alle Welt hat Mitleid mit den armen Menschen.
Wieviele sterben tag-täglich in irgend einer dritten Welt(Wann ist mein eigentlich ein Teil der dritten Welt?) und es "kümmert" kein Schwein?
Ich habe keinen im WTC gekannt und ich kenne auch keinen der an der Grippe gestorben wäre, also ändert sich nichts an meinem sozialen Umfeld oder an meiner äusseren Umgebung. Warum sollte es mich stören?
Ihr nennt das vielleicht ignorant oder rücksichtslos.
Aber was bringt diesen Menschen das Mitleid wenn sowieso keiner etwas tut?
All dieses Mitleid gehabe und die scheinbar grenzenlose Anteilnahme der Welt am Schicksal anderer Menschen ist doch einfach ein scheintrügerisches Spiel!meine Meinung, meine Ansicht!
-
Was hat das mit nem kapazitiven Schalter zu tun? Sind 2 völlig unterschiedliche Dinge
-
GTA3 CD ohne Krater

Haste ein original Pic der Gatewatch? -
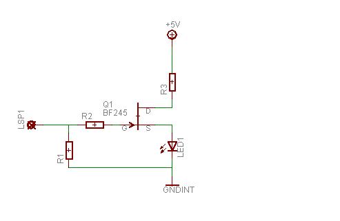
Die "Schranke" braucht etwa 1.2V
Ich weiss allerdings nicht genau wie du die nun einsetzten willst.
Das Prinzip hast du verstanden oder?
Eine iLed sendet ein Signal, auf der anderen Seite sitzt ein Phototransistor der das Signal empfängt.
Wird nun der Lichtkontakt unterbrochen so ändert sich das Ausgangsignal des Transistors.
Womit willst du die Schranke auslösen? -
marx generator

Wozu braucht man 50V DC? Wenn man fragen darf. -
-
Die Menschheit stirbt weder wegen irgend einer Seuche noch wegen einer Atombombe aus, wir werden wohl an Zeugungsunfähigkeit zugrunde gehen.
Und es gibt Dinge über die man keine Witze macht, dazu zähl ich sowas wie Krebs und änliches, aber ich denke Raab hat es mit seinem Shirt nicht auf die Vogelgrippe sondern eher um die Panikmache der Medien abgesehen. -
Du musst aufpassen, dass nicht das ganze casecon zu einem Schalter wird! würde nicht mehrere verbauen, zumindest nicht ohne Testreihen

Weiss nicht wie ausgeklügelt die Entwicklung ist! -
post mal printscreen, kann dein Problem nicht ganz nachvollziehen.
Meinst du das der "ok" button nicht mehr auf dem Bildschirm ist? -
Würde auch sagen, klingt nach einem instabielen Netzteil.
Wende einen Ersatz zur Verfügung hast. würd ich es damit mal versuchen. -
Hab mal was änliches versucht einfach mit einer einfacheren Schaltung.
Naja, es funktioniert, aber ist nicht stabil genug, teilweise sperrt der FET nach dem loslassen des Gatekontaktes nicht mehr richtig.
Hat jemand ne kluge idee wie ich dem Gate nach dem loslassen wieder ein festes Potenzial (GND) geben kann? -
Samsung 913N, 19 Zoll TFT, silber, 8ms
Guter TFT für 608.- bei digitec
-
Wie wärs mit Samsung? Haben sehr gute TFT's
-
Weil, wenn du aus versehen meins erwischen solltest, ich mit ner Flinte auf dich warte bis du es am Abend wieder hinstellst!
-
Waum ist in unsrem System soviel berechenbar und warum gibts für fast alles eine logisch erklärung?
Was wäre wenn die Mathematik nicht aufgehen würde? Wenn es keine mathematischen Gesetze geben würde weil man keine Gesetzmässigkeiten finden kann? -
pah, was für ein Kotzmorgen!

Da draussen herrscht doch die Hölle auf Erden.
Wie kann man nur von uns verlangen - früher aufzustehen als es unserem Gemüt zumutbar ist?darum, ARBEITEN?!

-
1. Haste denn jetz die Stromkabel überprüft?
2. War die Batterie 5min draussen und das Netzteil ausgesteckt?
3. Du hättest wahrscheindlich ein "no signal" auf dem Bildschirm wenn deine Grafikkarte defekt wäre.
Aber such mal bei google nach dem Piipston Verzeichnis deines Mobo's nur damit kommst du wirklich schnell zum Ziel -